OCS/ TIMER TO 6 - 15V DS B C E - + C1 10 m F R1 10K R2 53.6K R3 20K L3 50uH C2 200mF C3 .22 m F R4 6.2K R6 220 Q1 MPSH11 XTA 149.89 MHz L2 0.06uH C8 .01 m F L4 50uH L5 50uH S1 T1 C7 180mF C6 27mF C5 .01 m F R5 3.3K C4 .01 m F TO 6 - 15V DS

Schematic Diagram Software

Draw schematic diagrams, circuit schematics and other electrical engineering diagrams

The Easy Choice for Drawing Schematics Online

Easy to Use

SmartDraw helps you draw schematic diagrams with the help of intelligent connecting lines and drag-and-drop industry-standard electrical symbols that snap into place automatically.

Easy to Find the Symbols You Need

SmartDraw includes thousands of ready-made schematic symbols like switches, sensors, amplifiers, capacitors, resistors, transformers, and more. SmartDraw has a complete collection of the industry-standard IEEE and NECA symbols.

Switch

Easy to Work With Other Apps

SmartDraw is easy to work with no matter what other apps you use. You can add schematic diagrams to:

  • Microsoft Office®
    • Word®
    • PowerPoint®
    • Excel®
  • Microsoft Teams®
  • Google Workspace
    • Google Docs
    • Google Sheets
  • Atlassian apps
    • Confluence
    • Jira

Easy to Save to Your Existing Storage Solution

SmartDraw works hand in glove with most file storage systems. You can save your schematic drawing directly to:

  • SharePoint®
  • OneDrive®
  • Google Drive
  • Dropbox®
  • Box®

There is no need to create a parallel set of common folders and permissions, SmartDraw can just save files directly into your existing set up.

Easy to Share

Share your schematic diagram with anyone, even if they don't own a copy of SmartDraw, with a link. You can also easily export any diagram as a PDF or common image formats like PNG or SVG.

Easy to Share

Easy to Get Help

Have a question? Chat or email us. SmartDraw support is in-house and free!

Easy to Get Help

Easy Collaboration

You and your team can work on the same schematic diagram in real time. Your team can leave notes, comments, and feedback and make sure everyone is on the same page.

SmartDraw also works where you already communicate with your team. You can collaborate on schematic drawings in Microsoft Teams®, Slack or Confluence.

Collaborate on Circuit Diagrams

Our Schematic Drawing Software Features

  • Professional schematic diagram templates
  • Industry standard electric symbols
  • IEEE and NECA symbols
  • Import Visio files & stencils
  • Intelligent lines
  • Line hops
  • Ability to add layers
  • Import PDF
  • Real-time collaboration
  • Ability to add comments
  • Version history
  • Works with the tools you use
  • Export as PDF, PNG, or SVG
  • Works with 3rd party storage providers

Schematic Diagram Templates and Examples

SmartDraw has all the schematic drawing templates and symbols you need as well as lots of other engineering diagrams.

How to Draw a Schematic Diagram

Step 1

Start with a Schematic Diagram Template

Start with a schematic diagram template that you can find in the Engineering category under New Document on your Dashboard.

Step 2

Add Your Power Source

Power and ground are the foundation of any schematic diagram. You'll start your schematic diagram by adding a symbol for your power source like a battery.

Step 3

Draw Circuit Lines

Next, start drawing circuits using the Line tool. Make sure you have the segmented or Shape Connector line type selected.

Step 4

Add Electrical Symbols

As you draw circuit lines, you can automatically add symbols at the end of a line from a pop-up menu of common symbols. This menu is intelligent and will populate with your most recently used symbols. Add resistors, logic gates, switches, and more.

Step 5

Drag and Drop Symbols

You can also drag and drop industry-standard electrical symbols to your circuit line. Your symbol will attach to the line seamlessly and SmartDraw will automatically rotate it to match the orientation of your circuit.

Step 6

Move Symbols

Move a symbol along a circuit line like a bead on a string. You can also detach the symbol by holding down the Alt key.

Step 7

Collaborate with Others

Invite team members to give you feedback and work on your schematic diagram in real-time. Make notes, design and troubleshoot as a group. SmartDraw is so easy to use, you can make changes in real-time.

Step 8

Print or Share Your Schematic Diagram

Once your schematic drawing is complete you can insert it directly to any Microsoft Office app like Microsoft Word® or PowerPoint®, or add it to Google Docs or Google Slides.

SmartDraw also has apps to integrate with Atlassian's Confluence and Jira. You can share your schematic diagram in Microsoft Teams. You can also easily export your schematic drawing as a PDF or print it.

See Why SmartDraw is the Easiest Schematic Diagram Software

SmartDraw's schematic diagram software is easy to use. It includes all the schematic drawing templates and industry-standard electrical symbols you need to help you get started quickly.

SmartDraw is an incredibly powerful tool that is also easy to use. Create professional-looking diagrams in less time than you'll spend with other programs.

Whether your needs are in electrical circuit design, mechanical design, or component and industrial design, SmartDraw can help you create all of your engineering schematics.

What is a Schematic Diagram?

A schematic diagram uses industry standard electrical symbols to visualize a circuit. Engineers use schematic drawings to design circuits, understand how they work, and troubleshoot the logic in the case of problems.

Schematic diagram example

What is the Difference Between a Schematic and Pictorial Diagram

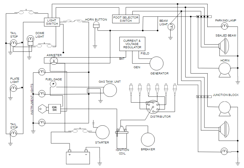
As the name suggests, a pictorial diagram uses pictures to represent components in a system. The key difference between a pictorial and a schematic diagram lies in standardization and abstraction. A pictorial diagram uses realistic images to represent the components in a system instead of abstract symbols. It's meant for a broader, less technical audience. In contrast, a schematic diagram uses a set of standardized electrical symbols to represent how components function and connect in a circuit. A pictorial diagram is great for beginners because the realistic images help with recognition and understanding. It's a great visual aid when teaching. Schematic diagrams are more useful for professionals who need to focus on function and flow to help with design and troubleshooting.

Schematic vs pictoral diagram

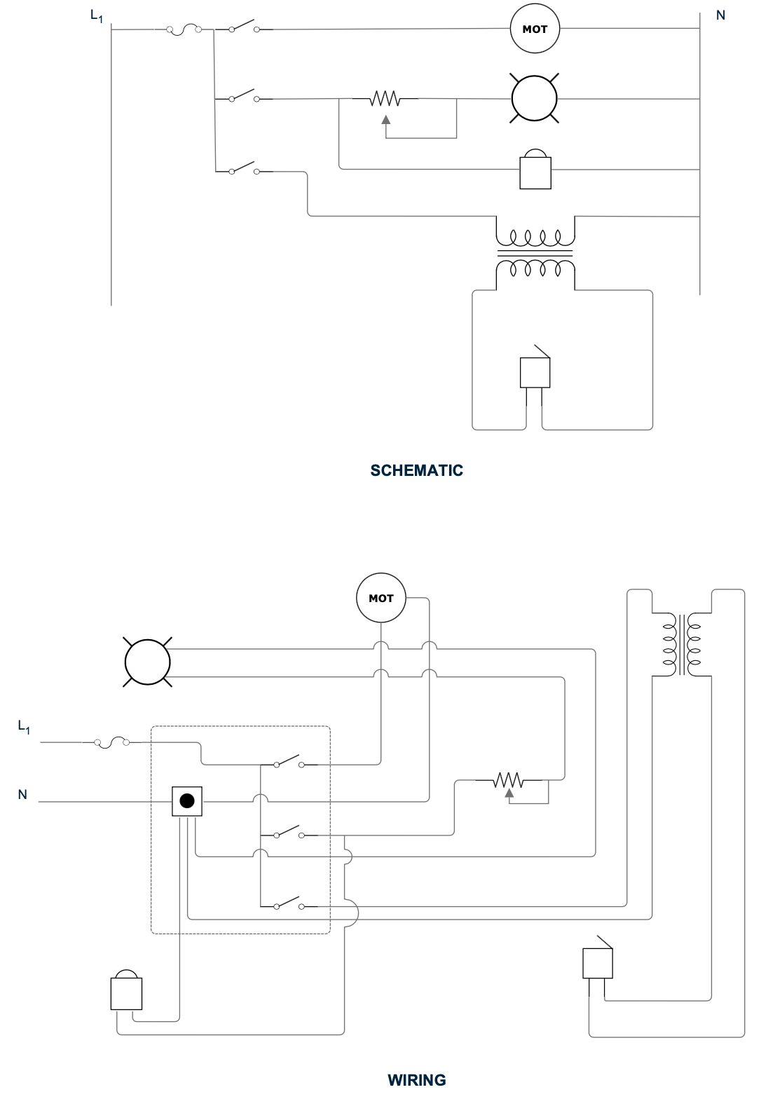
What is the Difference Between a Schematic and Wiring Diagram

A schematic diagram shows the logical flow in a circuit, while a wiring diagram visualizes the physical connections.

Engineers create schematic drawings to design and troubleshoot how a circuit should work. In contrast, a wiring diagram is used as a guide for installation or for troubleshooting the physical wiring by tracing it. Another way to say it is a schematic diagram is used to understand a circuit, while a wiring diagram is used to build it.

Schematic vs wiring diagram

SmartDraw is Used by Over 85% of the Fortune 500

3M logo
Amazon logo
AT&T logo
Cisco logo
Honeywell logo
Intel logo
Johnson and Johnson logo
Mariott logo
Abbott Labs logo
Motorola logo
Northrop Grumman logo
Oracle logo
Pfizer logo
Thermo Fisher Scientific logo
Verizon logo
Wells Fargo logo
3M logo
Amazon logo
AT&T logo
Cisco logo
Honeywell logo
Intel logo
Johnson and Johnson logo
Mariott logo
Abbott Labs logo
Motorola logo
Northrop Grumman logo
Oracle logo
Pfizer logo
Thermo Fisher Scientific logo
Verizon logo
Wells Fargo logo

Try SmartDraw's Schematic Diagram Software Free

Discover why SmartDraw is the best schematic drawing software today.